CWO蝸輪蝸桿減速機

CWO蝸輪蝸桿減速機嚴格按照國家減速機及行業減速機的標準所要求的技術水平和要求,從產品的設計到生產工藝過程進行全面控制和檢查。特別是蝸輪蝸桿,完全采用國內知名廠家或者知名廠商所生產的產品,出廠設備必須通過并滿足各種檢測檢驗手段,以保證出廠產品的使用質量和壽命。
CWO蝸輪蝸桿減速機廠家符合中華人民共和國國家標準(GB9147—88)
主要包括:CWU 蝸桿在下型 CWS 蝸桿在側型 CWO蝸桿在上型
中心距有16種a=63、80、100、125、140、160、180、200、225、250、280、315、355、400、450、500。
傳動比有12種i=5、6.3、8、10、12.5、16、20、25、31.5、40、50、63
標記示例

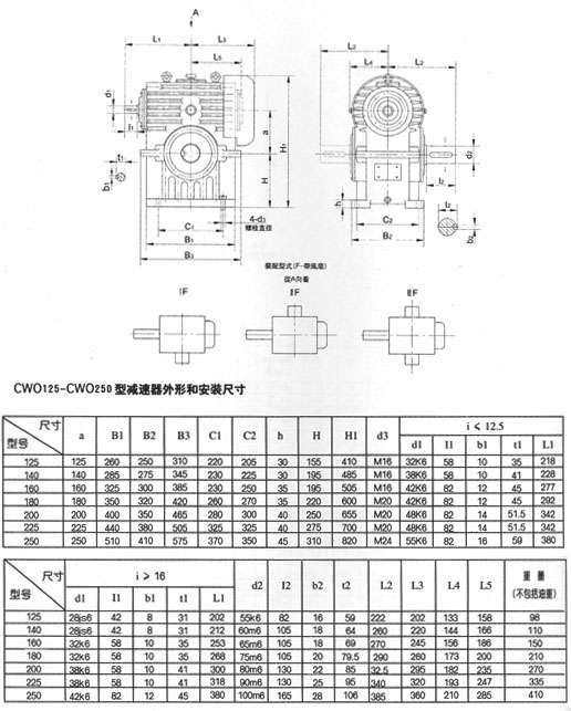
CWO63—CWO100型減速器外形和安裝尺寸


CWO63—CWO100型減速器外形和安裝尺寸

上一篇: WHX蝸輪蝸桿減速機
下一篇: WHS蝸輪蝸桿減速機

