當前位置:蝸輪蝸桿減速機廠家 > 產品展示 > JWZ蝸輪蝸桿減速機JWZ蝸輪蝸桿減速機
JWZ蝸輪蝸桿減速機

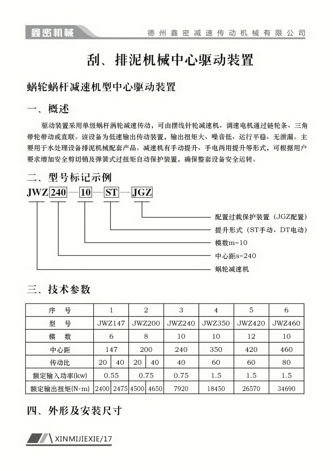
JWZ刮泥機驅動裝置采用單級蝸桿蝸輪減速傳動,可由擺線針輪減速機、調速電機通過鏈輪鏈條、三角帶輪帶動或直聯。該設備為低速輸出傳動裝置,輸出扭矩大、噪音低、運行平穩、無泄漏。主要用于水處理設備排泥機械配套產品。減速機有手動提升、手電兩用提升的等形式,可根據用戶要求增加安全剪切銷及彈簧式過扭矩自動保護裝置(JGZ4500),確保整套設備安全運轉。
JWZ澄清池刮泥機專用蝸輪蝸桿減速機規格主要有JWZ200\JWZ2410\JWZ350\JWZ460等,根據澄清池大小選擇合適的蝸輪箱。
以下數據僅供參考:
直徑6米:選用JWZ200-8-40-ST(DT)
直徑8米:選用JWZ240-10-40-ST(DT)
直徑10米:選用JWZ350-10-60-ST(DT)
直徑16米:選用JWZ460-10-60-ST(DT)
以上每種型號可配帶過載保護裝置,手動升降(ST)或者電動升降(DT)根據客戶需求定制。 第一級減速電機通常采用雙機擺線針輪減速機,根據不同規格的蝸輪箱選用合適的減速電機。同蝸輪減速機采用鏈輪鏈條鏈接 JWZ刮泥機減速機外形及安裝尺寸: 定貨須知 1、定貨時詳細注明型號及規格。 2、用戶特殊要求,可在定貨合同中注明。 配置機械式過載保護裝置的電動提升傳動裝置 配置智能數字式轉矩轉速傳感器的電動提升傳動裝置


上一篇: 沒有了!
下一篇: 中心傳動JWZ200刮泥機蝸輪減速機

