當前位置:蝸輪蝸桿減速機廠家 > 產品展示 > JWZ蝸輪蝸桿減速機JWZ蝸輪蝸桿減速機
中心傳動JWZ200刮泥機蝸輪減速機

一、JWZ蝸輪蝸桿減速機中心驅動裝置行業應用
JWZ蝸輪蝸桿減速機在刮、排泥機械設備上起到中心驅動提升傳動的作用。該蝸輪蝸桿減速機主要應用于水處理設備排泥機械配套產品,包括環保廢污水處理、砂石料場污泥處理、打樁泥漿處理,高效深濃密機、澄清池水處理、精礦脫水處理,尾礦脫水處理、深錐濃縮機、中心傳動濃縮機、尾礦濃縮機、周邊傳動濃縮機、傾斜板濃縮機等行業。
二、JWZ蝸輪蝸桿減速機安裝介紹
JWZ刮泥機驅動裝置采用單級蝸輪蝸桿減速傳動,可由擺線針輪減速機、調速電機通過鏈輪鏈條、三角帶輪帶動或直聯。該設備為低速輸出傳動裝置,采用皮帶及蝸輪兩化級減速,具有減速范圍廣,輸出扭矩大、開機噪音低、運行平穩、使用壽命長,長期無泄漏,升降靈活,行程準確的顯著優點。JWZ蝸輪蝸桿減速機有手動提升、手、電動兩用提升等形式,可根據用戶需要增加剪切銷及彈簧式過扭矩自動保護裝置(LGZ4500)確保整套設備安全運轉。
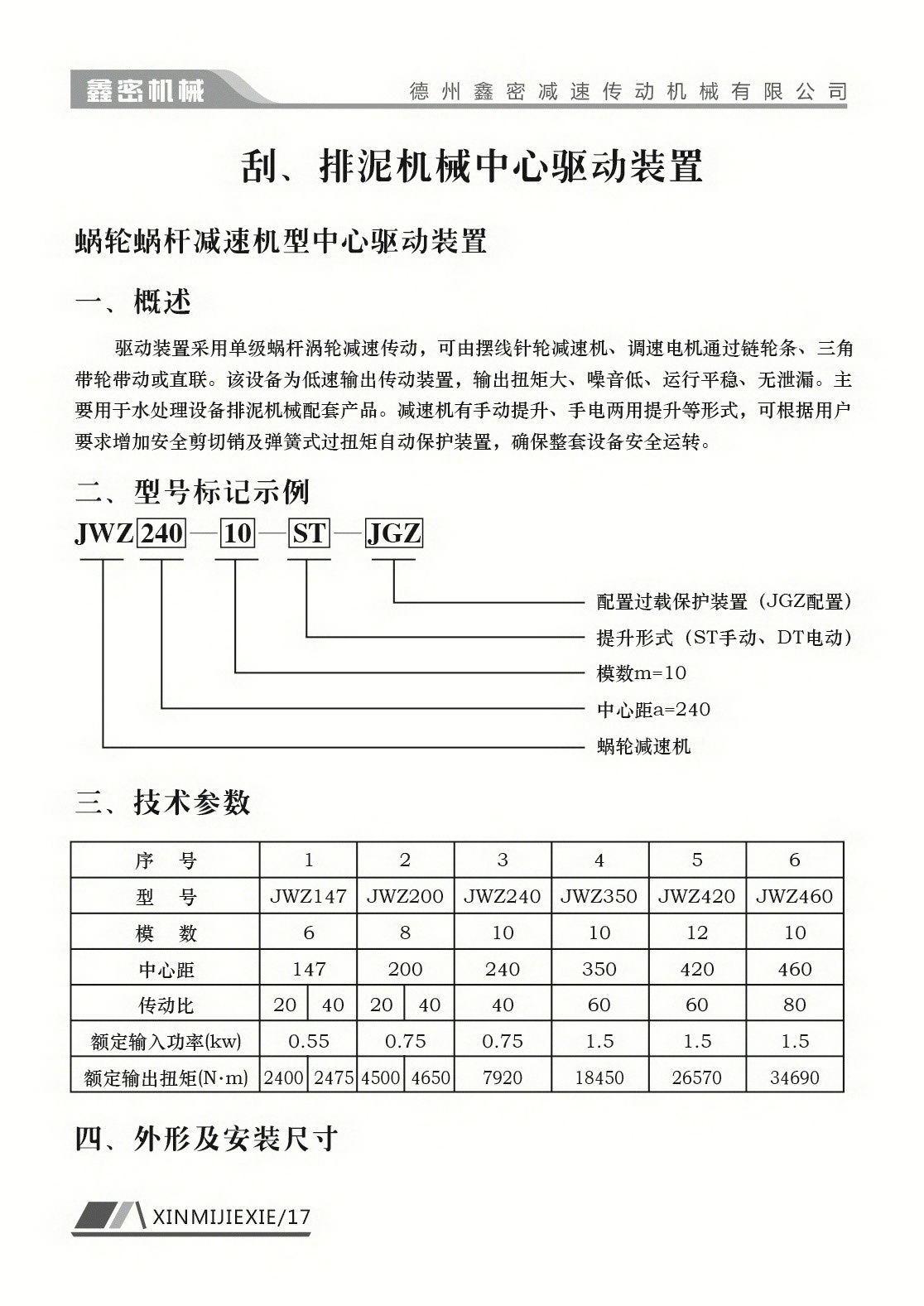
三、型號及安裝示例
JWZ澄清池刮泥機專用蝸輪蝸桿減速機型號規格有JWZ147、JWZ200、JWZ240、JWZ350、JWZ420、JWZ460,JWZ672。根據澄清池大小選擇合適的蝸輪減速機。
直徑6米:選用JWZ200-8-40-ST(DT);
直徑8米:選用JWZ240-10-40-ST(DT);
直徑10米:選用JWZ350-10-60-ST(DT);
直徑12米:選用JWZ420-10-60-ST(DT);
直徑16米:選用JWZ460-10-60-ST(DT)。


上一篇: JWZ蝸輪蝸桿減速機
下一篇: JWZ350驅動裝置蝸輪減速機

